Welcome to TAIWAN Chi Yeah Industrial CO., Ltd.

Adhere to Quality,Continuous Improvement,Customer Satisfaction.

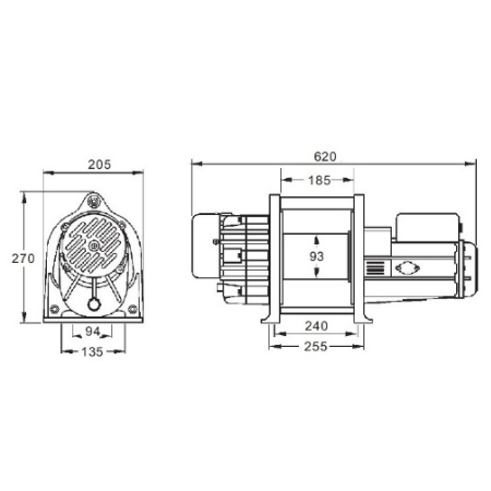
Product Name : CKW-300LL
Product Description
1PH 220V AC
Product Introduction

1.Motor: We choose carbon brush motor to have lightweight and compact design.

2.Brake: Electromagnetic and mechanical brake provide instant and safe braking.

3. Control Type: Equipped with wired and wireless remote control, and safety device can make sure only one type of signals can be accepted at one time.

4. Special point: Wireless device is installed inside the machine, so it’s more convenient to use.

5. Solenoid: Use Japanese OMRON relay.

MODEL

CAPACITY
(KG)

SPEED
(M/min)

MOTOR
(W)

LIFTING
HEIGHT
(M)


WIRE ROPE
(Ømm x M)

BRAKING
METHODS

REVERSAL
RATING

N.W
(KG)

G.W
(KG)

CKW-300LL

300KG

16–25

2300W

88

Ø6mm×90M

ELECTROMAGNETIC

&

MECHANICAL BRAKE

25%ED
150 loop / time

33

40